Hyundai Genesis (DH): Tire Pressure Monitoring System / TPMS Receiver Schematic Diagrams

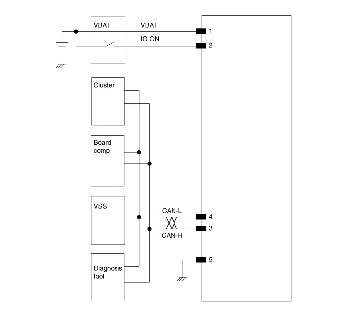
Circuit Diagram
1.
Circuit diagram

2.
Receiver connector terminals.

3.
Receiver connector function.
No
 Function
Description
1
Battery
VBAT
2
IG ON
Battery to IG ON
3
CAN_High
CAN_High
4
CAN_Low
CAN_Low
5
Ground
Battery to ground
6
-
-

    Description 1. Function The TPMS monitors the pressure and temperature of the tires and warns the driver of changes that could potentially influence driving conditions.

    Replacement 1. Disconnect the negative (-) battery cable. 2. Remove the crash pad. (Refer to Body - "Crash Pad") 3. Remove the connector. 4.

    Other information:

    Hyundai Genesis (DH) 2013-2016 Service Manual: Rear Combination Lamp Repair procedures

    Removal 1. Disconnect the negative (-) battery terminal. 2. After loosening the nuts (4EA) holding the rear combination lamp and disconnecting the connector (A), remove the outside rear combination lamp assembly. 3. Remove the bulb (A) after turning it in the counter clock-wise direction.

    Hyundai Genesis (DH) 2013-2016 Service Manual: Auto Defogging Sensor Description and Operation

    Description The auto defogging sensor is installed on the front window glass. The sensor judges and sends signal if moisture occurs to blow out wind for defogging. The air conditioner control module receives signal from the sensor and restrains moisture and eliminate defog by controlling the intake actuator, A/C, auto defogging actuator,

    Categories

     
    Copyright В© 2026 www.hgenesisdh.com - 0.0223