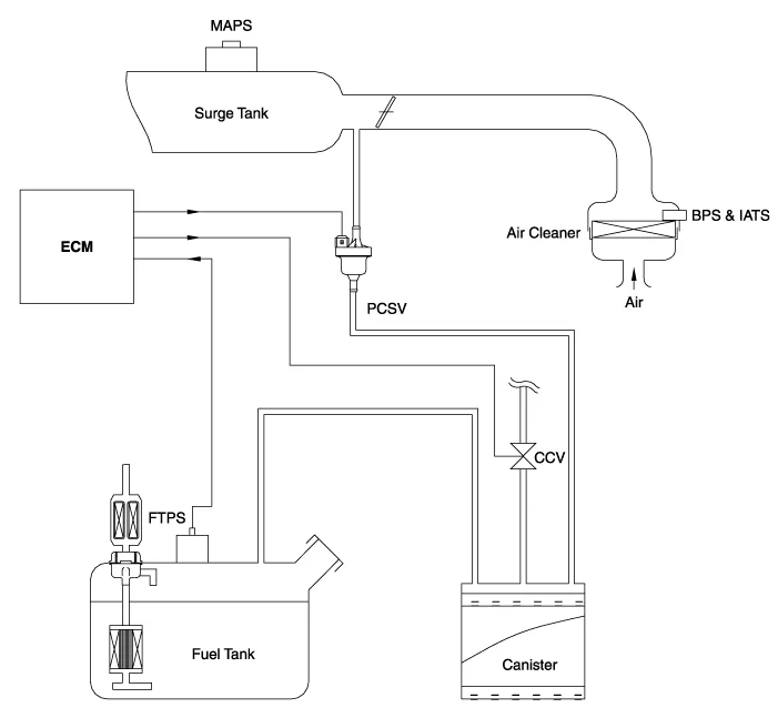
| Schematic Diagram |

| |
Inspection [System Inspection] 1. Disconnect the vapor hose from the throttle body and connect a vacuum pump to the nipple on the throttle body. 2.
Removal 1. Disconnect the negative (-) battery terminal. 2. After loosening the nuts (4EA) holding the rear combination lamp and disconnecting the connector (A), remove the outside rear combination lamp assembly. 3. Remove the bulb (A) after turning it in the counter clock-wise direction.
Removal 1. Disconnect the negative(-) battery terminal. 2. Remove the driver crash pad lower panel. (Refer to Body - "Crash Pad Lower Panel") 3. Remove the start/stop button (A) from the center fascia garnish after loosening the mounting clip.