| Schematic Diagram |

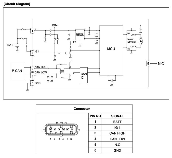
| Circuit Diagram |

Components 1. Active air housing2. Active air flap3. Active air link4. Active air actuator5. Active air duct6. Active air actuator cover
Removal and Installation 1. Disconnect the battery "-" terminal from the trunk room. 2. Remove the front bumper. (Refer to Body - "Front Bumper Cover") 3.
Description According to driving environment and loading state of vehicle, head lamp lighting direction is changed to keep the driver's visibility range and to protect the driver's vision from glare, aiming at safety driving. Sensor integrated ECU mounting on the rear center arm drives the actuator mounting on the head lamp since sens
Removal 1. Disconnect the negative (-) battery terminal. 2. Remove the crash pad lower panel. (Refer to Body - "Crash Pad") 3. Remove the blind spot detection (BSD) switch (A) after disengaging the mounting clip. Installation 1. Install the crash pad side switch assembly after connecting the connector.