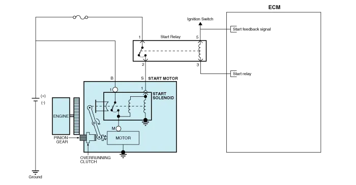
| Circuit Diagram |

Components 1. Front bracket2. Planet gear shaft assembly3. Lever4. Lever packing5. Magnet switch6. Planet gear7. Shield8. Armature assembly9. York assembly10.
Removal 1. Turn ignition switch OFF and disconnect the negative (-) battery cable. 2. Remove the RH engine manifold. (Refer to Engine Mechanical System - "Exhaust Manifold") 3.
Diagnosis With GDS 1. BSD system defects can be quickly diagnosed with the GDS. GDS operates actuator quickly to monitor, input/output value and self diagnosis. 2. Connect the cable of GDS to the data link connector in driver side crash pad lower panel, and turn on the GDS.
Description The auto defogging sensor is installed on front window glass. The sensor judges and sends signal if moisture occurs to blow out wind for defogging. The air conditioner control module receives a signal from the sensor and restrains moisture and eliminates defog by the intake actuator, A/C, auto defogging actuator, blower motor