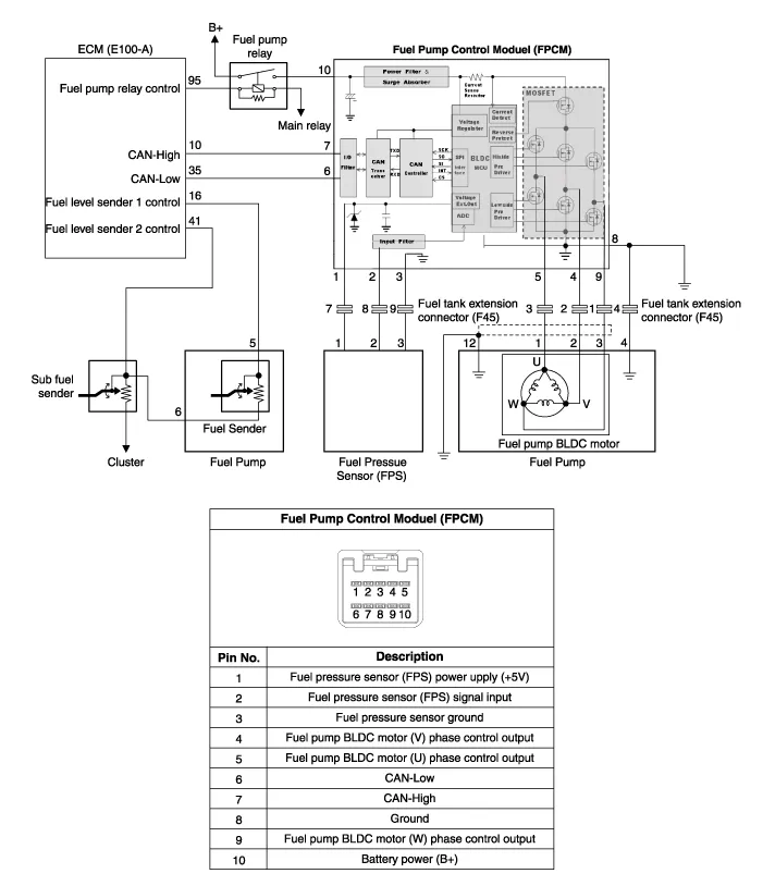
| Circuit Diagram |

Specification ltemSpecificationSupply Voltage (V)8~18Supply Current (A)Max. 10Fuel Pressure (kpa)Starting600Drive350 ~ 500Stop20 Under
Inspection 1. Connect the GDS on the Data Link Connector (DLC). 2. If there is DTC on the GDS, replace the FPCM. 3. Check the output voltage of fuel pressure sensor (FPS).
Removal 1. Disconnect the negative (-) battery terminal. 2. Remove the crash pad lower panel. (Refer to Body - "Crash Pad") 3. Remove the blind spot detection (BSD) switch (A) after disengaging the mounting clip. Installation 1. Install the crash pad side switch assembly after connecting the connector.
Description The auto defogging sensor is installed on front window glass. The sensor judges and sends signal if moisture occurs to blow out wind for defogging. The air conditioner control module receives a signal from the sensor and restrains moisture and eliminates defog by the intake actuator, A/C, auto defogging actuator, blower motor