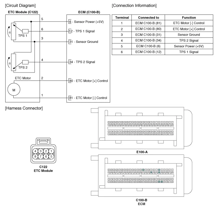
| Circuit Diagram |

Specification [Throttle Position Sensor (TPS)] Throttle angle(
Inspection If idle rpm is unstable or engine stops, check the ETC module operation with GDS diagnostic tool. And if necessary, clean carbon in the throttle body.
Description Integrated Rain Sensor Integrated rain sensor (A) controls three systems: front wiper, auto-light, and central air conditioner. 1. Wiper Control System When "AUTO" switch signal is received from the multi-function switch on the right, the integrated rain sensor detects the amount of rainfall.
Description The ambient temperature sensor is located inside the side mirror and detects ambient air temperature. It is a negative type thermistor; resistance will increase with lower temperature, and decrease with higher temperature. The sensor output will be used for discharge temperature control, temperature regulation door control,