Hyundai Genesis (DH): ESC(Electronic Stability Control) System / Description and Operation
ESC recognizes critical driving conditions, such as panic
reactions in dangerous situations, and stabilizes the vehicle by braking
by wheel and engine control intervention.
ESC adds a further function known as Active Yaw Control (AYC)
to the ABS, TCS, EBD and ESC functions. While the ABS/TCS function
controls wheel slip during braking and acceleration and, thus, mainly
intervenes in the longitudinal dynamics of the vehicle, the active yaw
control stabilizes the vehicle in its vertical axis.
The stability is achieved by brake intervention by wheel and
adaptation of the momentary engine torque with no need for any action to
be taken by the driver.
ESC essentially consists of three assemblies : the sensors, the electronic control unit and the actuators.
The stability control feature works under all driving and
operating conditions. Under certain driving conditions, the ABS/TCS
function can be activated simultaneously with the ESC function in
response to a command by the driver.
In the event of a failure of the stability control function, the basic safety function, ABS, is still maintained.

Description of ESC Control
ESC system includes ABS/EBD, TCS and AYC function.
ABS/EBD function : The ECU changes the active sensor signal
(current shift) coming from the four wheel sensors to the square wave.
By using the input of the signals above, the ECU calculates the vehicle
speed and the acceleration & deceleration of the four wheels. And,
the ECU judges whether the ABS/EBD should be actuated or not.
TCS function preventsthe wheel slip in the driving direction
by adding the brake pressure and reducing the engine torque via CAN
communication. TCS function uses the wheel speed sensor signal to
determine the wheel slip as far as ABS function.
AYC function prevents unstable maneuver of the vehicle. To
determine the vehicle maneuver, AYC function uses the maneuver sensor
signals(Yaw Rate Sensor, Lateral Acceleration Sensor, Steering Wheel
Angle Sensor).
If vehicle maneuver is unstable (Over Steer or Under Steer),
AYC function applies the brake pressure on certain wheel, and send
engine torque reduction signal by CAN.
After the key-on, the ECU continually diagnoses the system
failure. (self-diagnosis)If the system failure is detected, the ECU
informs driver of the system failure through the BRAKE/ABS/ESC warning
lamp. (fail-safe warning)

Input and Output Diagram

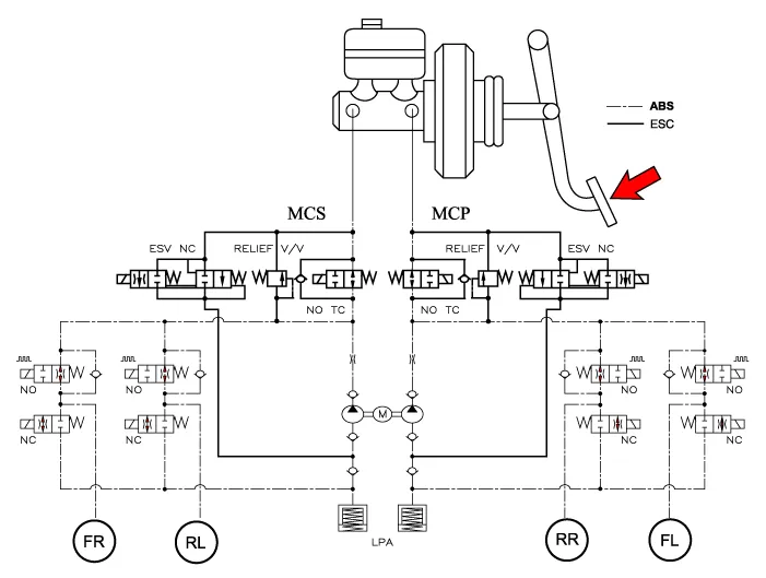
| ESC Hydraulic System Diagram |

| 1. |
ESC Non-operation : Normal braking.
Solenoid valve
| Continuity
| Valve
| Motor pump
| TC Valve
| IN (NO)
| OFF
| OPEN
| OFF
| OFF
| OUT (NC)
| OFF
| CLOSE
|
|
| 2. |
ESC operation
Solenoid valve
| Continuity
| Valve
| Motor pump
| TC Valve
| Understeering (Only inside of rear wheel)
| IN(NO)
| OFF
| OPEN
| ON
| ON
| OUT(NC)
| OFF
| CLOSE
| Oversteering (Only outside of front wheel)
| IN(NO)
| OFF
| OPEN
| OUT(NC)
| OFF
| CLOSE
|

|
ABS Warning Lamp module
The active ABS warning lamp module indicates the self-test
and failure status of the ABS.The ABS warning lamp shall be on under the
following conditions:
| - |
During the initialization phase after IGN ON. (continuously for 3 seconds). |
| - |
In the event of inhibition of ABS functions by failure. |
| - |
During diagnostic mode. |
| - |
When the ECU Connector is separated from ECU. |
| - |
Cluster lamp is ON when communication is impossible with CAN module.
|
EBD/Parking Brake Warning Lamp Module
The active EBD warning lamp module indicates the self-test
and failure status of the EBD. However, in case the Parking Brake Switch
is turned on, the EBD warning lamp is always turned on regardless of
EBD functions. The EBD warning lamp shall be on under the following
conditions:
| - |
During the initialization phase after IGN ON. (continuously for 3 seconds). |
| - |
When the Parking Brake Switch is ON or brake fluid level is low. |
| - |
When the EBD function is out of order . |
| - |
During diagnostic mode. |
| - |
When the ECU Connector is separated from ECU. |
| - |
Cluster lamp is ON when communication is impossible with CAN module. |
ESC Function/Warning Lamp
The ESC function/warning lamp indicates the self-test and failure status of the ESC.
The ESC function/warning lamp is turned on under the following conditions :
| - |
During the initialization phase after IGN ON. (continuously for 3 seconds). |
| - |
When the ESC function is inhibited by system failure. |
| - |
When the ESC control is operating. (Blinking - 2Hz) |
| - |
During diagnostic mode.(Except standard mode) |
| - |
Cluster lamp is ON when communication is impossible with CAN module.
|
ESC Off Lamp
The ESC Off lamp indicates the self-test and operating status of the ESC.
The ESC Off lamp operates under the following conditions :
| - |
During the initialization mode after IGN ON. (continuously for 3 seconds). |
| - |
ESC Off lamp is On when the driver inputs the ESC Off switch.
|
ESC On/Off Switch
The ESC On/Off Switch shall be used to toggle the ESC function between On/Off states based upon driver input.
The On/Off switch shall be a normally open, momentary contact switch.Closed contacts switch the circuit to ignition.
Initial status of the ESC function is on and the switch toggles between On/Off states.
Components
1. HECU module2. Steering angle sensor (SAS)3. Rear wheel speed sensor4. Front wheel speed sensor
Circuit Diagram
ESC connector input/output
Pin NoDescriptionCurrent(m/A)Resistance(m/?)MAX1Battery 2 (+) 137102POWERTRAIN CAN LOW302503---4---5---6---7---8---9---10---11Parking brake switch1025012---13Ground1371014POWERTRAIN CAN HIGH3025015Auto Hold Switch 1025016Stop Lamp Switch1025017Wheel speed sensor output1625018Front wheel Sensor power RH 3025019Rear wheel Sensor power RH 3025020Rear wheel Sensor signal LH 16.
Other information:
Removal
1.
Disconnect the negative (-) battery terminal.
2.
Remove the mirror wiring cover (A) and rain sensor cover (B).
3.
Remove the LKAS unit connector (A).
4.
Remove the LKAS unit after disengaging the mounting bracket (A).
Installation
1.
Description
The auto defogging sensor is installed on the front window
glass. The sensor judges and sends signal if moisture occurs to blow out
wind for defogging. The air conditioner control module receives signal
from the sensor and restrains moisture and eliminate defog by
controlling the intake actuator, A/C, auto defogging actuator,