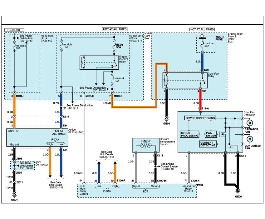
| Cooling Circuit Diagram |


Specifications [Cooling fan control (PWM)] ItemsPerformance specMAX, load current consumption (12V)23.3 + 10% AInputCommunication frequency300
Removal And Installation Cooling fan 1. Disconnect the battery "-" terminal from the trunk room. 2. Remove the air cleaner assembly. (Refer to Intake and Exhaust System - "Air Cleaner") 3.
Description An in-car air temperature sensor is located in the crash pad lower panel. The sensor contains a thermistor which measures the temperature of the cabin. The signal determined by the resistance value which changes in accordance with perceived inside temperature, is delivered to the heater control unit and according to this signa
Inspection 1. Turn the ignition switch OFF. 2. Disconnect the console temperature control actuator connector. 3. Verify that the console temperature control actuator operates to the defrost mode when connecting 12V to terminal 3 and grounding terminal 4.