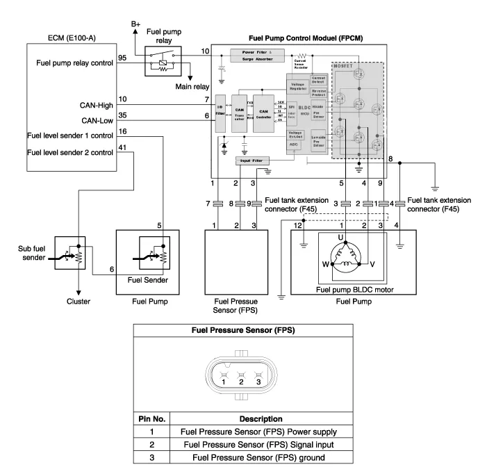
| Circuit Diagram |

Specification Pressure(kPa)Output Voltage(V)500.36002.511004.5
Fail-Safe Mode ItemFail-SafeDuty (%)85 If the fuel pressure sensor malfunctions, it enters fail safe mode. This means that the fuel pressure rises to match the increasing value of the current level and the pressure in the low pressure fuel line remains static despite the rising fuel pressure.
Description Integrated Rain Sensor Integrated rain sensor (A) controls three systems: front wiper, auto-light, and central air conditioner. 1. Wiper Control System When "AUTO" switch signal is received from the multi-function switch on the right, the integrated rain sensor detects the amount of rainfall.
Inspection 1. Check the condenser fins for clogging and damage. If they are clogged, clean them with water, and blow them with compressed air. If they are bent, gently bend them using a screwdriver or pliers. 2. Check the condenser connections for leakage, and repair or replace it, if required.